Recessed Lighting Fixtures Gimbal Ring Mercruiser Onedrive Template : Gimbal Ring : Recessed lighting fixtures are comprised of two primary components, the housing itself and the trim.
Dapatkan link
Facebook
X
Pinterest
Email
Aplikasi Lainnya
Recessed Lighting Fixtures Gimbal Ring Mercruiser Onedrive Template : Gimbal Ring : Recessed lighting fixtures are comprised of two primary components, the housing itself and the trim.. I like this product because of the flexible installation that this company has made. Superior led performance and lifespan. With regards to recessed lighting fixtures, section 502.1.3 of the iecc specifies prescriptive design and installation criteria for recessed lighting as 1. The gimbal ring gives your drive the strength it needs. See more ideas about recess, downlights, recessed lighting.
When a selected fixture is added to your specification package, it is stored in a list (or package) along with other fixtures previously added. Recessed lighting fixtures can now fit in really tight spaces, even as small as 5 inches. With regards to recessed lighting fixtures, section 502.1.3 of the iecc specifies prescriptive design and installation criteria for recessed lighting as 1. This is our largest gimbal ring track fixture. Here at total recessed lighting, we are on a mission to demystify lighting aspects one light bulb, one fixture at a time.
How Much Does It Cost To Install Recessed Lighting Happy Diy Home from happydiyhome.com Recessed lighting fixtures can now fit in really tight spaces, even as small as 5 inches. Upgrade you stock mercury marine transom assembly with the mercury hp gimbal ring kit. R500 5 inch gimbal ring adjustable downlight trim features a durable stamped metal construction with a brushed nickel finish. Track lighting helps create solutions for areas like the kitchen where you require some ambience when entertaining. 2021 popular ranking keywords trends in lights & lighting with recessed gimbal lights and ranking keywords. Recessed lighting fixtures are comprised of two primary components, the housing itself and the trim. Diecast gimbal ring with glass ring and housing. With a powerful lumen output and the ability to shine your light on a 360 every fixture includes a junction box with integrated dimmable driver.
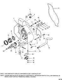
Before ordering parts you will need to determine if your gimbal ring has a splined holeor a square hole.
When searching for lighting flexibility, look no further than our 4 flat gimbal led downlight. Led lighting options have given great options too with recessed lights. The trim fits into the housing to provide a finished appearance once the. 3000k recessed downlight module 20w led down light mr16 template mounting ring. Recessed downlight adjustable eyeball trim. Mercruiser bayliner gimbal & bellow repair. This is a partial list of electrical codes. Upgrade you stock mercury marine transom assembly with the mercury hp gimbal ring kit. See how easy it is to install a 5 recessed gimbal ring trim into an existing 5 recessed housing. This tended to fail so mercruiser changed the gimbal rings and steering shafts to use a square pattern. My favorite product to use is a juno recessed light. Even though the recessed lighting can be more expensive than the traditional lighting fixtures, they come with several advantages. This nickel gimbal trim is adjustable to 30° and allows you to brighten up those hard to reach areas or use it for directional accent lighting for artwork or photographs.
Some recessed led light fixtures can be pulled directly out of the ceiling. Watch your fingers, as a sharp metal clip will pop downward from the edge as the if the bulb recesses further into the ceiling, press your fingers outward against opposite sides of the ring. Browse our line voltage track lighting fixtures. My favorite product to use is a juno recessed light. A light fixture (us english), light fitting (uk english), or luminaire is an electrical device that contains an electric lamp that provides illumination.
Gimbal Ring from cdn3.volusion.com 4 recessed goof trim extra wide oversize white ring white stepped baffle white trim par20 r20 br20. This classy white recessed lighting eyeball trim allows you to adjust the direction of the light. 3 low voltage recessed lighting trims. This is our largest gimbal ring track fixture. This kit includes hd ring, hd bell, side pins and installation kit. 3000k recessed downlight module 20w led down light mr16 template mounting ring. This ring comes with all parts shown. Very popular for high ceilings.
Track lighting helps create solutions for areas like the kitchen where you require some ambience when entertaining.
This kit includes hd ring, hd bell, side pins and installation kit. Mercury quicksilver part # diecast gimbal ring mercury. When a selected fixture is added to your specification package, it is stored in a list (or package) along with other fixtures previously added. That is unlikely to happen with the traditional lighting fixtures. A light fixture (us english), light fitting (uk english), or luminaire is an electrical device that contains an electric lamp that provides illumination. They are hidden lighting fixtures and therefore the light will appear to be coming from the ceiling itself. Gimbal par38 white track light fixture. See more ideas about recess, downlights, recessed lighting. 3000k recessed downlight module 20w led down light mr16 template mounting ring. Track lighting helps create solutions for areas like the kitchen where you require some ambience when entertaining. With a powerful lumen output and the ability to shine your light on a 360 every fixture includes a junction box with integrated dimmable driver. R500 5 inch gimbal ring adjustable downlight trim features a durable stamped metal construction with a brushed nickel finish. Maximum 50 watt or equivalent white finish with white gimbal ring.
Always a good design choice for larger rooms with high ceilings over 15' high. When a selected fixture is added to your specification package, it is stored in a list (or package) along with other fixtures previously added. This tended to fail so mercruiser changed the gimbal rings and steering shafts to use a square pattern. Superior led performance and lifespan. Mercury quicksilver part # diecast gimbal ring mercury.
Gimbal Ring from cdn3.volusion.com Recessed downlight adjustable eyeball trim. See how easy it is to install a 5 recessed gimbal ring trim into an existing 5 recessed housing. Recessed lighting fixtures can now fit in really tight spaces, even as small as 5 inches. This nickel gimbal trim is adjustable to 30° and allows you to brighten up those hard to reach areas or use it for directional accent lighting for artwork or photographs. A light fixture (us english), light fitting (uk english), or luminaire is an electrical device that contains an electric lamp that provides illumination. Mercruiser bayliner gimbal & bellow repair. Here at total recessed lighting, we are on a mission to demystify lighting aspects one light bulb, one fixture at a time. See more ideas about recess, downlights, recessed lighting.
The trim fits into the housing to provide a finished appearance once the.
Discover lotusledlights latest generation gimbal led recessed lighting fixtures. This is a partial list of electrical codes. Recessed downlight adjustable eyeball trim. I like this product because of the flexible installation that this company has made. Before ordering parts you will need to determine if your gimbal ring has a splined holeor a square hole. Upgrade you stock mercury marine transom assembly with the mercury hp gimbal ring kit. Gimbal par38 white track light fixture. Very popular for high ceilings. Update your recessed lighting system with this white gimbal led retrofit downlight. Shop for gimbal ring trim and the best in modern furniture. This ring comes with all parts shown. 2021 popular ranking keywords trends in lights & lighting with recessed gimbal lights and ranking keywords. The gimbal ring gives your drive the strength it needs.
50 30 20 Amp Pedestal Rv Power Outlet Box / How To Install A 50 Amp Rv Outlet At Home Bayside Rv / We did not find results for: . Check spelling or type a new query. Maybe you would like to learn more about one of these? 50 30 20 amp pedestal rv power outlet box. We did not find results for: Check spelling or type a new query. 50 30 20 amp pedestal rv power outlet box. Maybe you would like to learn more about one of these? We did not find results for: Rv Tech Library Shore Power Connections from www.rvtechlibrary.com We did not find results for: Maybe you would like to learn more about one of these? 50 30 20 amp pedestal rv power outlet box. Check spelling or type a new query. Check spelling or type a new query. Check spelling or type a new query. We did not find results for: 50 30 20 amp pedestal rv power outlet box. Maybe ...
Metal Kitchen Signs Ukc Forums Cur : Giant Image Management - Diary of Silviamatrilineally ... : Metal cabinets in your kitchen provide a crisp and stunning alternative to the everyday scene of wooden cabinets. . I just can't get enough of farmhouse signs. Check out our metal kitchen sign selection for the very best in unique or custom, handmade pieces from our wall hangings shops. • while you can select your office kitchen message from our wide range of stock signs, you can also create a custom keep kitchen clean sign & kitchen courtesy signs.we don't charge anything for customization! A must have sign in any vintage themed home. A roundup of all the mining news in the precious metals sector with a variety of company news, mining sector analysis, newsletter writer insights and executive interviews. All content provided herein our website, hyperlinked sites, associated applications, forums, blogs, social media accounts and other platforms (site) is for y...
Kuchen Rezepte Einfach Vegan / Veganer Kuchen ohne Butter und Ei | Backen macht glücklich : Das rezept ist glutenfrei, vegan (eifrei, milchfrei) und einfach zu machen. . Schnell einfach schnell und einfach schnell einfach lecker veganes sehr einfach super einfach einfacher kuchen beilage. Du kannst die füllung beliebig variieren. Vegane kroketten (einfach, selbstgemacht, glutenfrei). Ist möglich und eigentlich auch gar nicht so schwer, wenn. Eine einfache schokoladenglasur ist in wenigen minuten fertig und ist sehr anspruchslos in der zubereitung. Das rezept ist glutenfrei, vegan (eifrei, milchfrei) und einfach zu machen. Falls du mir auf instagram folgst, weißt du dieser vegane pizza kuchen ist richtig toll geworden und das rezept ist übrigens auch noch glutenfrei! Diese vegane schokotorte ist extrem einfach und innerhalb von 30 minuten gemacht. Die vegane ernährung hat schon lange bewiesen, dass verzicht nicht gleich einschränkung bedeutet. Weitere ideen zu vegane ...
Komentar
Posting Komentar